1、 Product overview of CW type magnetic drive pump:
CW magnetic drive pump (hereinafter referred to as magnetic pump) is a new product which applies the working principle of permanent magnetic coupling to centrifugal pump. It has the characteristics of reasonable design, advanced technology, full sealing, no leakage, low flow, high head and corrosion resistance. Its performance reaches the advanced level of similar foreign products.
The static seal is used to replace the dynamic seal in the magnetic pump, so that the overflow parts of the pump are completely sealed, which completely solves the problems of running, emitting and dripping that cannot be avoided by other mechanical seals. Magnetic pump uses corrosion-resistant, corundum ceramics, stainless steel as the manufacturing materials, so it has good corrosion resistance, and can prevent the transmission medium from pollution.
2、 Main materials and applications of CW type magnetic drive pump:
The magnetic drive pump has the advantages of compact structure, beautiful appearance, small volume, low noise, reliable operation and convenient maintenance. It can be widely used in chemical, pharmaceutical, petroleum, reliable, easy to use and maintain. It can be widely used in chemical, pharmaceutical, petroleum, pumping acid, alkali, oil, rare precious liquid, poison, volatile liquid, circulating water equipment and filter. Especially, it is easy to leak, flammable and explosive.
3、 CW type magnetic drive pump features:
The pump is a vane pump with high head, small flow rate and low specific speed. Compared with volume integral pump and multi-stage centrifugal pump, the pump has the advantages of small volume, light weight and simple structure, and can transport liquid with high gas or steam content.
4、 CW type magnetic drive pump performance:
Material: stainless steel
Flow rate: 0.36-14.4m3/h
Lift: 30 ~ 210m
Power: 0.75 ~ 30KW
Temperature limit: 0 ~ 100 ℃ speed: 2900r / min
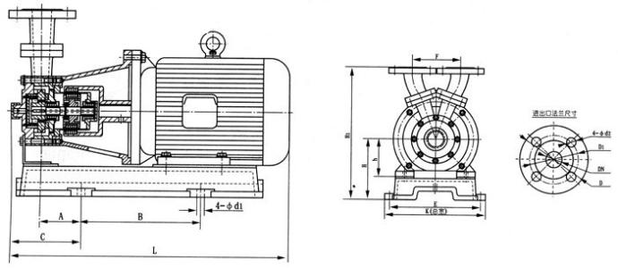
5、 CW type magnetic drive pump model definition:

model | flow | lift | speed | Motor power | Allowable suction height | weight |
CW20-20 | 0.72 | 20 | 2900 | 0.75 | 6 | 26 |
CW20-40 | 0.72 | 40 | 2900 | 0.75 | 6 | 32 |
CW20-65 | 0.72 | 65 | 2900 | 1.5 | 6 | 36 |
CW25-25 | 1.44 | 25 | 2900 | 0.75 | 5 | 28 |
CW25-40 | 1.44 | 40 | 2900 | 1.5 | 5 | 40 |
CW25-75 | 1.44 | 75 | 2900 | 3 | 5 | 55 |
CW32-30 | 2.88 | 30 | 2900 | 1.5 | 5 | 38 |
CW32-50 | 2.88 | 50 | 2900 | 2.2 | 5 | 52 |
CW32-75 | 2.88 | 75 | 2900 | 4 | 5 | 76 |
CW32-120 | 2.88 | 120 | 2900 | 5.5 | 4.5 | 95 |
CW40-40 | 5.4 | 40 | 2900 | 4 | 4 | 70 |
CW40-90 | 5.4 | 90 | 2900 | 7.5 | 3.5 | 105 |
CW50-45 | 9 | 45 | 2900 | 5.5 | 4 | 92 |
CW65-50 | 14.4 | 50 | 2900 | 11 | 3.5 | 158 |
CW type magnetic drive pump has the advantages of compact structure, beautiful appearance, small volume, low noise, reliable operation and convenient maintenance. It can be widely used in chemical, pharmaceutical, petroleum, reliable, easy to use and maintain. It can be widely used in chemical, pharmaceutical, petroleum, pumping acid, alkali, oil, rare precious liquid, poison, volatile liquid, circulating water equipment and filter. Especially, it is easy to leak, flammable and explosive.










